
地址:河北省廊坊市光明东道吴堤
邮编:065000
联系人:王耀
电话:0316-7410512
15933268399
传真:0316-7410512
QQ: 657700795
E-mail:wade@dingtianjixie.com
公司网址:http://www.lfdtjx.com
植物蛋白饮料生产
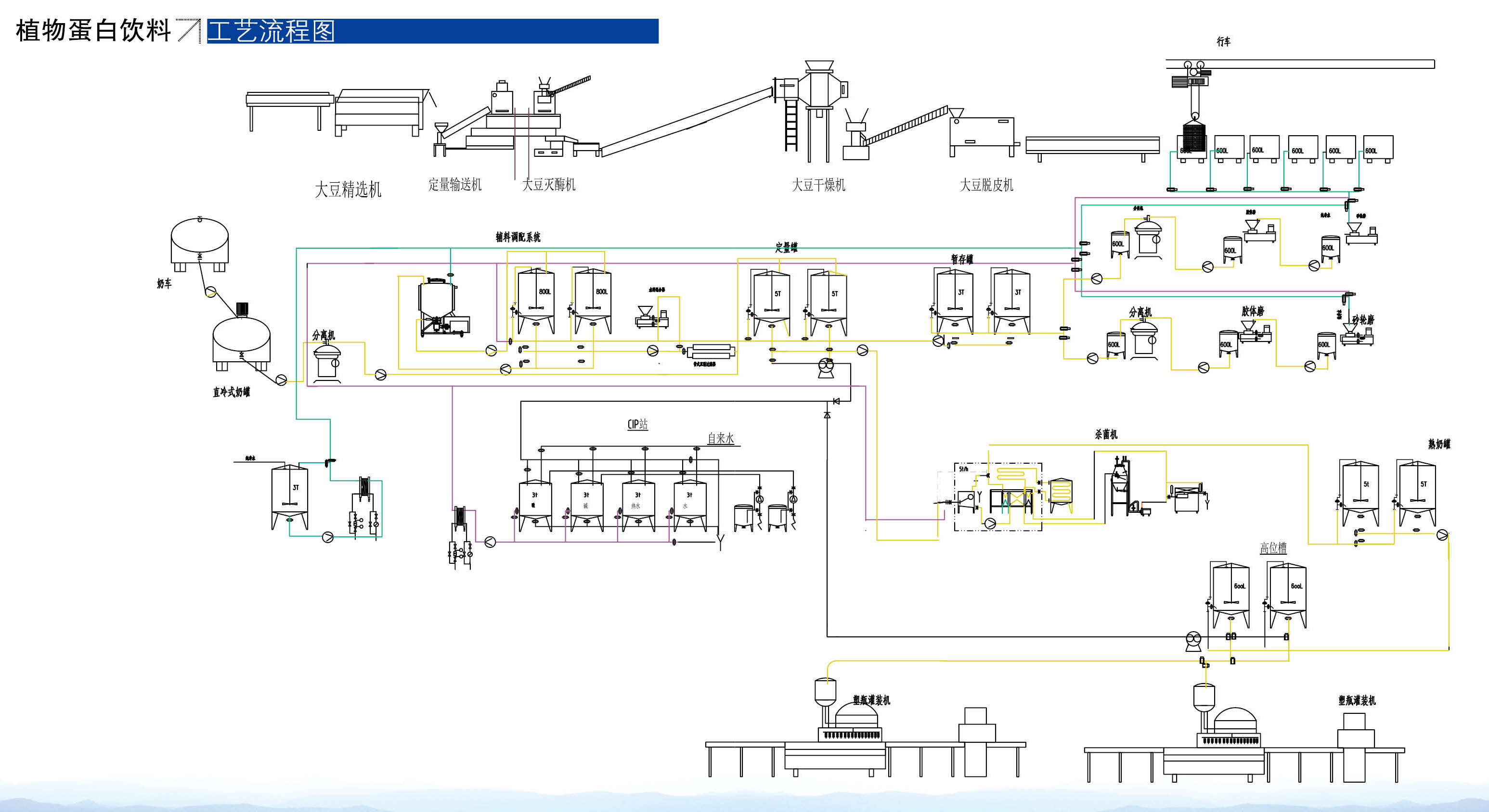
廊坊市顶天轻工机械有限公司整合国内外先进的工艺,结合我国各地的投资特点,形成了食品饮料、医药提取、生物发酵等加工生产线的精细化施工方案,可以根据企业的投资状况和生产实际,对客户的工程项目进行个案设计,转交给客户真正意义上的交钥匙工程。 我们致力于开发创新设备,同时建立48小时专业维护团队,以提高整体运行效率,大大降低资本投入。 一、植物蛋白饮料生产线产品概述: GB16322《植物蛋白饮料卫生标准》对植物蛋白饮料的描述是:以植物果仁、果肉及大豆为原料(如大豆、花生、杏仁、核桃仁、椰子等),经加工、调配后,再经高压杀菌或无菌包装制得的乳状饮料。 二、植物蛋白饮料生产线分类: 根据加工原料的不同,植物蛋白饮料可分为五大类: 豆乳饮料 是以大豆为主要原料,经磨碎、提浆、脱腥等工艺制成的无豆腥味的制品。其制品又分为纯豆乳、调制豆乳、豆乳饮料。 椰子乳 是以新鲜成熟的椰子果肉为原料,经压榨制成椰子浆,加入适量水、糖类等配料调制而成的乳浊状制品。 杏仁乳 以杏仁为原料,经浸泡、磨碎、提浆等工序后,再加入适量水、糖类等配料调制而成的乳浊状制品。 核桃乳 核桃乳为纯天然植物蛋白饮品,该产品以优质核桃仁、纯净水为主要原料,采用现代工艺、科学调配精制而成,口感细腻、具有特殊的核桃浓郁香味,冷饮、热饮均可,热饮香味更浓。 蛋白饮料 如花生、南瓜子、葵花子等与水按一定比例经磨碎、提浆等工序后,再加入糖类等配料调制而成的制品。 三、植物蛋白饮料营养价值: 由于使用的原料不同,各种植物蛋白饮料的营养价值也不同。从功能的角度来讲,核桃汁饮料因含有磷脂而具有健脑作用,杏仁饮料则具有润肺作用,而采用椰子为原料的椰汁,则因为椰子全身都是宝,椰肉含水量蛋白质、果糖、葡萄糖、蔗糖、脂肪、维生素B1、维生素E、维生素C、钾、钙、镁等营养成分,适宜男女老少的营养补充需求。多年来被作为“国宴饮料”的椰树牌椰汁为了便于消费者辨识选购,直接在产品标签上注明了承诺不加香精、色素、防腐剂,让消费者放心饮用。相比普通饮料,植物蛋白饮料所含的蛋白质、维生素含量更高。家长给孩子买植物蛋白饮料已成时尚。椰树椰汁中所含的植物蛋白就是一种具有高生物价值的优质植物蛋白。来自华盛顿农业部属下的蛋白研究实验室的Carl O. Johns的研究结果表明,当椰肉球蛋白作为饮食中的唯一蛋白来源时,可提供正常生长所必需的蛋白营养。并且,椰肉蛋白含有丰富的水溶性维生素及其他脂溶性维生素。 四、植物蛋白饮料生产线加工工艺: 五、植物蛋白饮料生产线设备配置: 针对目前市场上常见的植物蛋白生产线,我公司设计开发了配套的植物蛋白生产线设备,其工艺过程设备主要包括: 1、水处理设备:反渗透 、水处理、软化水设备等水处理系列设备。这是果醋生产质量保证的第一关键环节,只有好水才能出来好产品。 2、原材料加工设备:原材料清洗、破碎、浸泡、消毒系列设备。这是对果醋原料进行处理的关键设备。 3、饮料前调配灭菌系统:调配、过滤、浓缩提取设备、均质、乳化、灭菌设备。这是植物蛋白饮料生产过程中的核心设备。 4、(饮料瓶)理瓶系统:洗瓶、上瓶、理瓶、吹瓶机设备(全套设备)。 5、灌装机、封口设备:冲瓶、灌装、封口(三合一灌装机)系列设备。 6、后杀菌设备:杀菌锅、倒瓶杀菌、风淋降温等后杀菌系列设备。 7、后包装设备:喷码、包装、打包码垛设备。 

- 上一条:没有了
- 上一条: 茶饮料生产线



